Shop STEERING SYSTEM
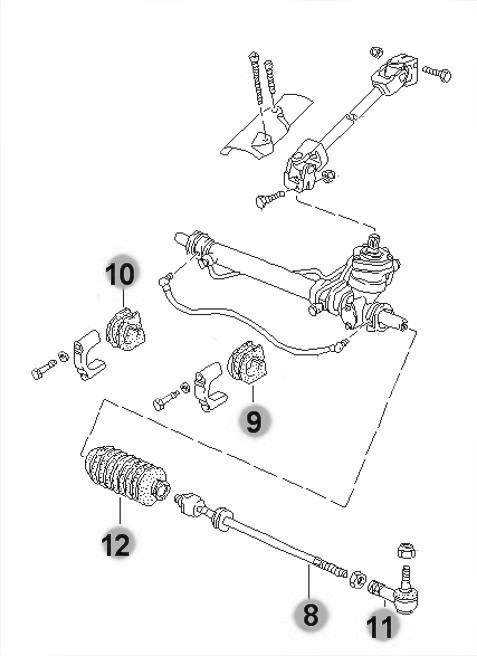
STEERING SYSTEMPower Steering System dripping on the garage floor? Always adding fluid? Getting a little slop in the steering linkages? Here are all the hoses and bits required to being that system back up to tip top shape.
|
STEERING SYSTEMPower Steering System dripping on the garage floor? Always adding fluid? Getting a little slop in the steering linkages? Here are all the hoses and bits required to being that system back up to tip top shape.
|
© 2025 Lindsey Racing. All Rights Reserved. Powered by Miva
|
INTERNATIONAL ORDERING![]() TO OUR INTERNATIONAL CUSTOMERS:In the past, we have used a separate order form for placing International orders. We have quit using that process and are requiring all customer to use the shopping cart system built into the web site and it's check out process. If you simply want a quotation and are not ready to place an order, then cut and paste the contents of your shopping basket, take a screen shot of the basket, or make a list of items and send us a email requesting a quotation with shipping. If you need shipping prices before you make your final decision to purchase, then you should request that quotation by email and not use the shopping cart checkout process because you will be paying for the parts at that time. Since our shopping cart and shipping estimator will "NOT" correctly calculate shipping charges on International Orders, we have it set-up to where the shipping will be Zero Dollars ($0.00) when checking out. When the shopping carts address process learns you are not in the United States by selecting your particular country, that's when it switches to equal Zero. That does NOT mean shipping is free. Upon completion of the check out process, you will have paid for your parts but NOT the shipping on those parts. Once we look over your parts ordered and calculate shipping weights and box sizes, we will send you an E-Mail with at least one shipping option and maybe several. We utilize UPS, DHL and the United States Postal Service (USPS) to deliver your parts. Once you pick a shipping carrier and agree to the quotation by returning the E-Mail, we will be sending a PayPal money request for the amount of the shipping to be collected. If the parts are expected to be shipping out quickly, then you may receive that email quickly. If the parts are going to need to be built or something is on back order from the list of parts, we may hold off sending that E-Mail until we have the shipment ready to go. It can vary from order to order as to how we do that. If you think you should be hearing from us quickly, but you don't, feel free to contact us. If you have special shipping needs or requirements, during the checkout you will see a SPECIAL ORDER INSTRUCTIONS window. Enter that special information there. A good bit of our business is International and we have been taking care of those valued customers since 1999. |
TURO LEVANEN |
|
'88 944 TURBO S 3 Liter Street Legal Track Racer! This car is the only one driven both daily on the street and in the Nordic Porsche Sports Cup series.
Engine Mods Include:3 Liter 968 block bored to 105 mmLR 65 Turbocharger (LR) 3” to 5” exhaust (LR) Stainless steel 3” downpipe (LR) Sport headers (LR) Catcam cam Link engine management and all new electrical wiring Old mechanical rotor ignition changed to coil pack / EMS / digital ignition with new TDC measuring Flex fuel for 85 ethanol to 98 gas--all mixtures go Head with 48 mm intake valves Comet 3 layer head gasket (LR) 140# valve springs (LR) 5 angle seat grind Larger Intercooler with aluminum hardpipes w/ silicone hoses LR silicon water hoses LR fuel rail with 92 lb injectors Intake Manifold – extrude honed and polished Racing fuel pump with new hoses Tial 38mm wastegate Solenoid over boost controller. Two programs (1.0-1.3 bar). 400 hp-500 hp Wössler pistons (105 mm 8.5:1 compression) LR Pauter con rods LR Light battery in race mount and cut-off switch Silicon vacuum lines LR Rod bearings, main and balance shaft bearings Calico metal coated Oil Pan and Balance Shafts Reseal Recent radiator, water pump, rollers, belts etc. new – Gates Kevlar/Blue Timing belt Approx. max horsepower 480 rwhp with 720 Nm torque (531 ft/lb) with substantial dyno hours Driveline/Transmission:SPEC Stage 3 Clutch LRHeavy duty motor mounts Heavy duty trans. mounts Recent Clutch Master/Slave with hoses Heavy duty drive shafts LR Torque tube with heavy duty bearings Quaife mechanical differential All wheel and drive shaft bearings new All bushings non-OEM Brakes:GT3RS 997 brakes and 350 mm slotted and cross drilled rotorsTurbo s rear brakes Brake bias valve changed Suspension:Koni Sport FrontKoni Series 30 racing rear Front 500 lbs coil springs Rear 900 lbs coil springs Adjustable front camber plates M035 sway bars LR Elephant Racing Polybronze spring plate bushings Poly bushings everywhere else Front solid bushing ball joint kit Strut tower bar Lower caster block bar New front and rear wheel bearings Recent race alignment and corner balance Body:Front/Rear tow hooksFire extinguisher system in cabin and engine bay Fender flares GT3 front splitter Rear diffuser in process 968 rear lights and bumper carbon fibre Sunroof removed (GT parts) 997 gt2 rear wing Glass fibre hood Plastic rear window Interior:Sparco/GT3 Speed Seats (R & L) in blackPorsche GT3 Steering Wheel and hub Sparco 6pt cam lock harnesses (R & L) Geiko racing approved gauge Stock seat belts remain functional Track Mats, steel plates and Lightened pedals aluminum Extra long shifter stick and short shifter Electrical boost control 2 programs – center console A/F meter-center console Fuel pressure meter Boost meter Racing “kill” switch in cabin Full fire ext. system cabin and engine bay with external switch Back seat delete |
INTERNATIONAL ORDERING![]() TO OUR INTERNATIONAL CUSTOMERS:In the past, we have used a separate order form for placing International orders. We have quit using that process and are requiring all customer to use the shopping cart system built into the web site and it's check out process. If you simply want a quotation and are not ready to place an order, then cut and paste the contents of your shopping basket, take a screen shot of the basket, or make a list of items and send us a email requesting a quotation with shipping. If you need shipping prices before you make your final decision to purchase, then you should request that quotation by email and not use the shopping cart checkout process because you will be paying for the parts at that time. Since our shopping cart and shipping estimator will "NOT" correctly calculate shipping charges on International Orders, we have it set-up to where the shipping will be Zero Dollars ($0.00) when checking out. When the shopping carts address process learns you are not in the United States by selecting your particular country, that's when it switches to equal Zero. That does NOT mean shipping is free. Upon completion of the check out process, you will have paid for your parts but NOT the shipping on those parts. Once we look over your parts ordered and calculate shipping weights and box sizes, we will send you an E-Mail with at least one shipping option and maybe several. We utilize UPS, DHL and the United States Postal Service (USPS) to deliver your parts. Once you pick a shipping carrier and agree to the quotation by returning the E-Mail, we will be sending a PayPal money request for the amount of the shipping to be collected. If the parts are expected to be shipping out quickly, then you may receive that email quickly. If the parts are going to need to be built or something is on back order from the list of parts, we may hold off sending that E-Mail until we have the shipment ready to go. It can vary from order to order as to how we do that. If you think you should be hearing from us quickly, but you don't, feel free to contact us. If you have special shipping needs or requirements, during the checkout you will see a SPECIAL ORDER INSTRUCTIONS window. Enter that special information there. A good bit of our business is International and we have been taking care of those valued customers since 1999. |