Lindsey Racing – The Porsche 944 Performance Center... No one offers more performance parts for these cars... Since 1999.
Filters

Secure Checkout
Your Shopping Cart Is Empty

Secure Checkout

Shop OIL COOLER STOCK

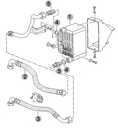
STOCK OIL COOLER 944T

Replacement parts for the stock oil cooler system on your 944 Turbo. Have a leaky hose or seal that needs some attention?


Top

INTERNATIONAL ORDERING



TO OUR INTERNATIONAL CUSTOMERS:


In the past, we have used a separate order form for placing International orders. We have quit using that process and are requiring all customer to use the shopping cart system built into the web site and it's check out process.

If you simply want a quotation and are not ready to place an order, then cut and paste the contents of your shopping basket, take a screen shot of the basket, or make a list of items and send us a email requesting a quotation with shipping.

If you need shipping prices before you make your final decision to purchase, then you should request that quotation by email and not use the shopping cart checkout process because you will be paying for the parts at that time.

Since our shopping cart and shipping estimator will "NOT" correctly calculate shipping charges on International Orders, we have it set-up to where the shipping will be Zero Dollars ($0.00) when checking out. When the shopping carts address process learns you are not in the United States by selecting your particular country, that's when it switches to equal Zero. That does NOT mean shipping is free.

Upon completion of the check out process, you will have paid for your parts but NOT the shipping on those parts.

Once we look over your parts ordered and calculate shipping weights and box sizes, we will send you an E-Mail with at least one shipping option and maybe several. We utilize UPS, DHL and the United States Postal Service (USPS) to deliver your parts.

Once you pick a shipping carrier and agree to the quotation by returning the E-Mail, we will be sending a PayPal money request for the amount of the shipping to be collected. If the parts are expected to be shipping out quickly, then you may receive that email quickly. If the parts are going to need to be built or something is on back order from the list of parts, we may hold off sending that E-Mail until we have the shipment ready to go. It can vary from order to order as to how we do that. If you think you should be hearing from us quickly, but you don't, feel free to contact us.

If you have special shipping needs or requirements, during the checkout you will see a SPECIAL ORDER INSTRUCTIONS window. Enter that special information there.

A good bit of our business is International and we have been taking care of those valued customers since 1999.

Top

TURO LEVANEN

'88 944 TURBO S 3 Liter Street Legal Track Racer!

This car is the only one driven both daily on the street and in the Nordic Porsche Sports Cup series.





Engine Mods Include:

3 Liter 968 block bored to 105 mm
LR 65 Turbocharger (LR)
3” to 5” exhaust (LR)
Stainless steel 3” downpipe (LR)
Sport headers (LR)
Catcam cam
Link engine management and all new electrical wiring
Old mechanical rotor ignition changed to coil pack / EMS / digital ignition with new TDC measuring
Flex fuel for 85 ethanol to 98 gas--all mixtures go
Head with 48 mm intake valves
Comet 3 layer head gasket (LR)
140# valve springs (LR)
5 angle seat grind
Larger Intercooler with aluminum hardpipes w/ silicone hoses
LR silicon water hoses
LR fuel rail with 92 lb injectors
Intake Manifold – extrude honed and polished
Racing fuel pump with new hoses
Tial 38mm wastegate
Solenoid over boost controller. Two programs (1.0-1.3 bar). 400 hp-500 hp
Wössler pistons (105 mm 8.5:1 compression) LR
Pauter con rods LR
Light battery in race mount and cut-off switch
Silicon vacuum lines LR
Rod bearings, main and balance shaft bearings Calico metal coated
Oil Pan and Balance Shafts Reseal
Recent radiator, water pump, rollers, belts etc. new – Gates Kevlar/Blue Timing belt
Approx. max horsepower 480 rwhp with 720 Nm torque (531 ft/lb) with substantial dyno hours


Driveline/Transmission:

SPEC Stage 3 Clutch LR
Heavy duty motor mounts
Heavy duty trans. mounts
Recent Clutch Master/Slave with hoses
Heavy duty drive shafts LR
Torque tube with heavy duty bearings
Quaife mechanical differential
All wheel and drive shaft bearings new
All bushings non-OEM


Brakes:

GT3RS 997 brakes and 350 mm slotted and cross drilled rotors
Turbo s rear brakes
Brake bias valve changed


Suspension:

Koni Sport Front
Koni Series 30 racing rear
Front 500 lbs coil springs
Rear 900 lbs coil springs
Adjustable front camber plates
M035 sway bars LR
Elephant Racing Polybronze spring plate bushings
Poly bushings everywhere else
Front solid bushing ball joint kit
Strut tower bar
Lower caster block bar
New front and rear wheel bearings
Recent race alignment and corner balance


Body:

Front/Rear tow hooks
Fire extinguisher system in cabin and engine bay
Fender flares
GT3 front splitter
Rear diffuser in process
968 rear lights and bumper carbon fibre
Sunroof removed (GT parts)
997 gt2 rear wing
Glass fibre hood
Plastic rear window


Interior:

Sparco/GT3 Speed Seats (R & L) in black
Porsche GT3 Steering Wheel and hub
Sparco 6pt cam lock harnesses (R & L)
Geiko racing approved gauge
Stock seat belts remain functional
Track Mats, steel plates and Lightened pedals aluminum
Extra long shifter stick and short shifter
Electrical boost control 2 programs – center console
A/F meter-center console
Fuel pressure meter
Boost meter
Racing “kill” switch in cabin
Full fire ext. system cabin and engine bay with external switch
Back seat delete
Top

INTERNATIONAL ORDERING



TO OUR INTERNATIONAL CUSTOMERS:


In the past, we have used a separate order form for placing International orders. We have quit using that process and are requiring all customer to use the shopping cart system built into the web site and it's check out process.

If you simply want a quotation and are not ready to place an order, then cut and paste the contents of your shopping basket, take a screen shot of the basket, or make a list of items and send us a email requesting a quotation with shipping.

If you need shipping prices before you make your final decision to purchase, then you should request that quotation by email and not use the shopping cart checkout process because you will be paying for the parts at that time.

Since our shopping cart and shipping estimator will "NOT" correctly calculate shipping charges on International Orders, we have it set-up to where the shipping will be Zero Dollars ($0.00) when checking out. When the shopping carts address process learns you are not in the United States by selecting your particular country, that's when it switches to equal Zero. That does NOT mean shipping is free.

Upon completion of the check out process, you will have paid for your parts but NOT the shipping on those parts.

Once we look over your parts ordered and calculate shipping weights and box sizes, we will send you an E-Mail with at least one shipping option and maybe several. We utilize UPS, DHL and the United States Postal Service (USPS) to deliver your parts.

Once you pick a shipping carrier and agree to the quotation by returning the E-Mail, we will be sending a PayPal money request for the amount of the shipping to be collected. If the parts are expected to be shipping out quickly, then you may receive that email quickly. If the parts are going to need to be built or something is on back order from the list of parts, we may hold off sending that E-Mail until we have the shipment ready to go. It can vary from order to order as to how we do that. If you think you should be hearing from us quickly, but you don't, feel free to contact us.

If you have special shipping needs or requirements, during the checkout you will see a SPECIAL ORDER INSTRUCTIONS window. Enter that special information there.

A good bit of our business is International and we have been taking care of those valued customers since 1999.