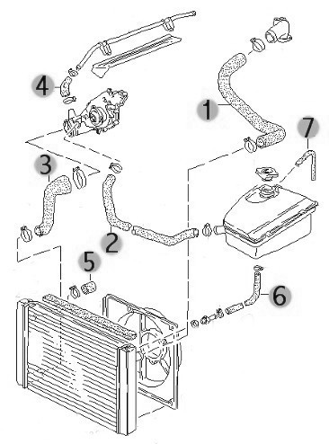
RADIATOR HOSES 944NA '89Available in Silicone and Standard Rubber:
![]() ![]() ![]() On the '89 944 2.7L 8v Silicone Radiator Hose Kits only (not the rubber kit), we utilize the same coolant transfer hose (#2) from the coolant bottle to the top right side of the radiator like the '85/2-'88 944's. Because of this, we supply the water block off fitting for the water pump and you will not be getting or using the rubber cap (#5). ![]()
|






